2009-01-19[n年前へ]
■続々:Simulinkで経済循環モデルを作ってみる 
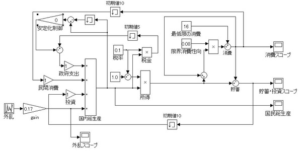
「Simulinkで経済循環モデルを作ってみる」「続:Simulinkで経済循環モデルを作ってみる」というように、教科書を読みながらマクロ経済学のイロハを学ぼうとしています。
というわけで、まずは「スティグリッツ入門経済学 <第3版><第3版>」を読み、これが文庫本だったら持ち歩くのに・・・と思ったり、「早わかり経済学入門―経済学のイロハから最新理論まで、一気にわかる。」を読み、変な例えでの説明が出てこないせいか、個別の項目に関してはとてもわかりやすいなぁ、と感じたりしました。
とはいえ、まだまだ自分できちんと教科書に書いてある経済循環モデルを「教科書通りに動く」ようににすることができません。数え切れないくらい色々な点について勘違いしている感じです。今日はとりあえず、下の図のようなモデルを作ってみたのですが、やはり自分で眺めてみても教科書とは違う変な感じになってしまいました。・・・自習で学ぼうとすると、実に難しいものですね。


